PRODUCT
外形結構
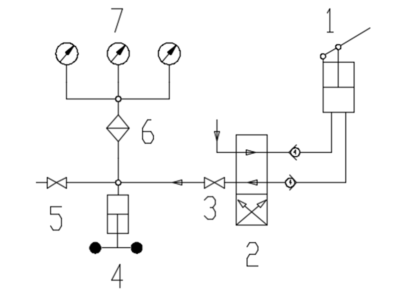
1、預壓泵 2、換向閥3、截止閥4、調壓器5、泄壓閥6、排污口7、接表座
管路連接圖

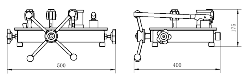
尺寸圖

概述
CW8620C臺式手動氣壓源,結構簡單、穩壓快速。它采用壓桿預壓,螺旋加壓的組合結構,可以提供穩定、可靠的所需壓力,是實驗室或者工業現場對(-0.095~6)MPa校驗壓力變送器、壓力開關、壓力表、壓力傳感器等的最佳選擇。滿足壓力表校驗器行業標準。
技術指標
△ 型號:CW8620C
△ 壓力范圍:(-0.095~6)MPa
△ 介質:純凈空氣
△ 調節度:10Pa
△ 外形公稱尺寸:500mm×400mm×175mm
△ 重量:15kg
△ 壓力連接:M20*1.5
技術優勢
△工作效率高
因氣體的物理特性,穩壓時間比液體的短,加壓結束15~20秒后壓力值穩定方便讀數。
△抗污能力強
針對現場儀器儀表經常會帶入泥沙等污染物的問題,管路系統添加了過濾排污及油氣隔離功能,保護了設備關鍵零件的密封要求,使設備工作性能有穩定。
△加壓輕松
預壓泵采取二級加壓原理,升壓快速,減輕操作人員工作強度。
△密封性能更優
根據氣體的物理特性,采取組合密封形式,軟硬結合,密封性能和密封強度標準
- 上一篇:沒有了
- 下一篇:微壓信號發生器
熱門產品













客服QQ:2723854678